
| Leader-mw | Introduction 500W power attenuator |
Leader-mw 2.92mm connector, 5W power-rated attenuator operating up to 40GHz is a precision radio frequency (RF) component designed for demanding microwave applications. Its primary function is to reduce signal power by a specific, controlled amount (e.g., 3dB, 10dB, 20dB) while maintaining signal integrity.
The key to its performance lies in its specifications. The 2.92mm (K-type) connector is crucial, as it ensures reliable operation up to 40GHz, making it compatible with systems and cables used in millimeter-wave testing, aerospace, and 5G R&D. The 5-watt power handling rating indicates its robustness, allowing it to withstand higher signal levels without damage or performance degradation, which is vital in transmitter testing or high-power amplifier chains.
This class of attenuator is engineered for minimal insertion loss and a flat frequency response, meaning the attenuation level remains consistent across the entire DC to 40GHz band. This precision is essential for accurate measurements in test and measurement setups, ensuring that signal levels are correctly set for sensitive equipment like vector network analyzers and spectrum analyzers. In essence, it is an indispensable tool for controlling signal strength with high accuracy in advanced high-frequency systems.
| Leader-mw | Specification |
| Item | Specification | |
| Frequency range | DC ~ 40GHz | |
| Impedance (Nominal) | 50Ω | |
| Power rating | 5 Watt | |
| Peak Power(5 μs) | max power 50W( Max. 5 PI s pulse width, Max. 1% duty cycle ) | |
| Attenuation | xdB | |
| V.S.W.R (Max) | 1.25 | |
| Connector type | 2.92 male(Input) – female(Output) | |
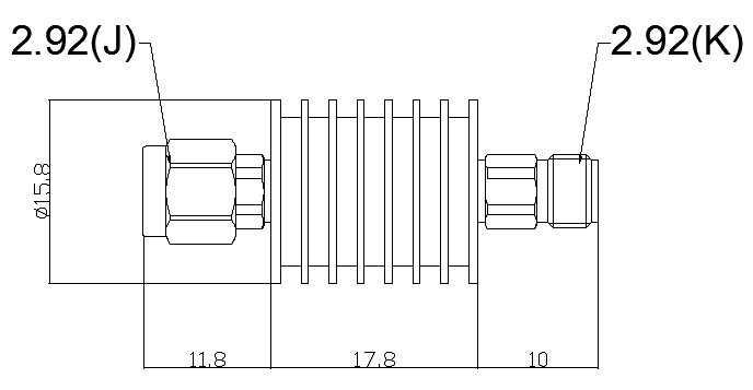
| dimension | Ø15.8*17.8mm | |
| Temperature Range | -40℃~ 85℃ | |
| Weight | 50g | |
| Leader-mw | Environmental Specifications |
| Operational Temperature | -40ºC~+85ºC |
| Storage Temperature | -50ºC~+85ºC |
| Vibration | 25gRMS (15 degrees 2KHz) endurance, 1 hour per axis |
| Humidity | 100% RH at 35ºc, 95%RH at 40ºc |
| Shock | 20G for 11msec half sine wave,3 axis both directions |
| Leader-mw | Mechanical Specifications |
| Housing Heat Sinks: | Aluminum blacken anodize |
| Connector | Stainless Steel Passivation |
|
Female Contact: |
gold plated beryllium brass |
| Male contact | Gold-plated brass |
| Insulators | PEI |
Outline Drawing:
All Dimensions in mm
Outline Tolerances ± 0.5(0.02)
Mounting Holes Tolerances ±0.2(0.008)
All Connectors: 2.92-Female/2.92-M(IN)
| Leader-mw | Attenuator accuracy |
| Leader-mw | Attenuator accuracy |
|
Attenuator(dB) |
Accuracy ±dB |
|
DC-40G |
|
|
1-10 |
-0.6/+1.0 |
|
20 |
-0.6/+1.0 |
|
30 |
-0.6/+1.0 |
| Leader-mw | VSWR |
|
Frequency |
VSWR |
|
DC-40Ghz |
1.25 |
| Leader-mw | Test data 20dB |