
| Leader-mw | Introduction to 26.5Ghz power combiner |
With the rapid advancement of ultra-wideband radar technology, the demand for high-quality wideband microwave power dividers has grown significantly. To meet this growing demand, our company has designed and developed a cutting-edge micro-bandwidth eight-channel power divider with an operating frequency range of 0.5 to 26.5GHz.
The design of Chengdu leader microwave tech.,power combines the innovative cascade structure of wideband Wilkinson power dividers and T-shaped power dividers. This unique combination delivers superior performance and superior signal division capabilities over a wide frequency range.
One of the main features of our power divider is the implementation of the Chebyshev matching model. This model ensures effective and efficient signal transmission by employing multi-stage λ/4 matching within a broadband Wilkinson power divider. This matching technology enables seamless integration of power dividers in a variety of applications, including ultra-wideband radar systems.
| Leader-mw | Specification |
Type No: LPD-0.5/26.5-8S Power Divider in microwave
| Frequency Range: | 500~ 26500MHz |
| Insertion Loss: . | ≤8dB |
| Amplitude Balance: | ≤±0.6dB |
| Phase Balance: | ≤±9 deg |
| VSWR: | ≤1.60: 1 |
| Isolation: | ≥15dB |
| Impedance: . | 50 OHMS |
| Port Connectors: | SMA-Female |
| Power Handling: | 20 Watt |
| Operating Temperature: | -32℃to+85℃ |
| Surface Color: | Black |
Remarks:
1、Not Include Theoretical loss 6db 2.Power rating is for load vswr better than 1.20:1
| Leader-mw | Environmental Specifications |
| Operational Temperature | -30ºC~+60ºC |
| Storage Temperature | -50ºC~+85ºC |
| Vibration | 25gRMS (15 degrees 2KHz) endurance, 1 hour per axis |
| Humidity | 100% RH at 35ºc, 95%RH at 40ºc |
| Shock | 20G for 11msec half sine wave,3 axis both directions |
| Leader-mw | Mechanical Specifications |
| Housing | Aluminum |
| Connector | ternary alloy three-partalloy |
| Female Contact: | gold plated beryllium bronze |
| Rohs | compliant |
| Weight | 0.25kg |
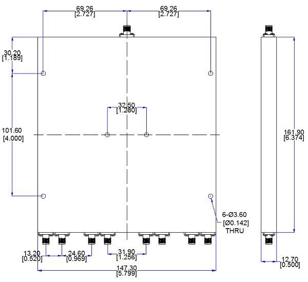
Outline Drawing:
All Dimensions in mm
Outline Tolerances ± 0.5(0.02)
Mounting Holes Tolerances ±0.2(0.008)
All Connectors: SMA-Female
| Leader-mw | Test Data |
| Leader-mw | Delivery |
| Leader-mw | Application |