
| Leader-mw | Introduction to Broadband Couplers |
One of the key features of the 10-40GHz 2-way power splitter is its excellent power handling capabilities. It is designed to handle high power signals without degrading performance. This ensures your signal remains strong and undistorted, even in demanding environments. Whether you are using a high-power transmitter or amplifier, this power splitter can easily meet your requirements.
In addition to its excellent power handling capabilities, the 10-40GHz 2-way power splitter is also known for its low insertion loss. With minimal losses, you can trust that your signal will maintain its strength and quality throughout the distribution process. This is particularly important in applications where accurate and reliable signal transmission is critical.
| Leader-mw | Specification |
Type No:LPD-10/40-2S10-40Ghz 2 way RF power splitter
| Frequency Range: | 10000~40000MHz |
| Insertion Loss: | ≤1.0dB |
| Amplitude Balance: | ≤±0.3dB |
| Phase Balance: | ≤±5 deg |
| VSWR: | ≤1.50 : 1 |
| Isolation: | ≥18dB |
| Impedance: | 50 OHMS |
| Connectors : | 2.92-Female |
| Power Handling: | 30 Watt |
Remarks:
1、Not Include Theoretical loss 3db 2.Power rating is for load vswr better than 1.20:1
| Leader-mw | Environmental Specifications |
| Operational Temperature | -30ºC~+60ºC |
| Storage Temperature | -50ºC~+85ºC |
| Vibration | 25gRMS (15 degrees 2KHz) endurance, 1 hour per axis |
| Humidity | 100% RH at 35ºc, 95%RH at 40ºc |
| Shock | 20G for 11msec half sine wave,3 axis both directions |
| Leader-mw | Mechanical Specifications |
| Housing | Aluminum |
| Connector | stainless steel |
| Female Contact: | gold plated beryllium bronze |
| Rohs | compliant |
| Weight | 0.1kg |
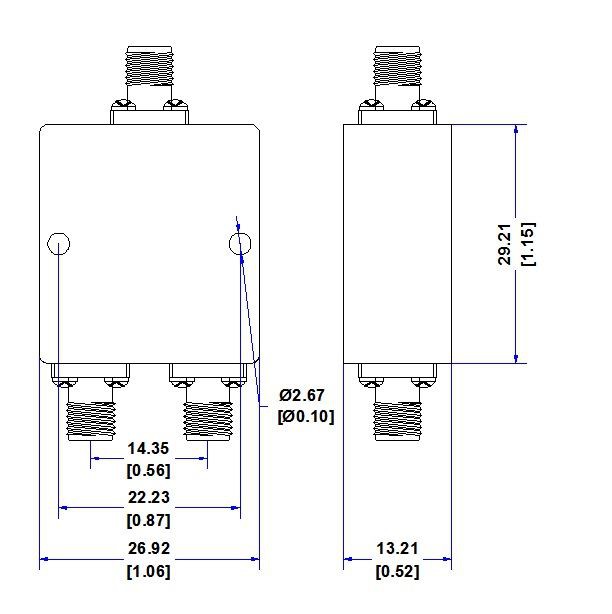
Outline Drawing:
All Dimensions in mm
Outline Tolerances ± 0.5(0.02)
Mounting Holes Tolerances ±0.2(0.008)
All Connectors: 2.92-Female
| Leader-mw | Test Data |