
| Leader-mw | Introduction to Broadband Couplers |
Leader micorwave Tech.,(LEADER-MW dedication to quality and innovation is evident in every aspect of the 180° Hybrid Coupler. From its precision manufacturing to thorough testing and quality control processes, we ensure that our products exceed industry standards and customer expectations.
Whether you are a telecommunications provider, defense contractor, or research institution, our 12-18GHz 180° Hybrid Coupler is the perfect solution for your RF power combining and dividing needs. Trust in our expertise and experience to elevate your RF systems to new heights of performance and efficiency.
Experience the difference with our 180° Hybrid Coupler - where advanced technology meets unparalleled reliability. Contact us today to learn more about this groundbreaking product and how it can enhance your RF applications.
| Leader-mw | Specification |
Type No:LDC-1/6-180S 180°Hybrid cpouoler
| Frequency Range: | 1000~6000MHz |
| Insertion Loss: | ≤.1.8dB |
| Amplitude Balance: | ≤±0.7dB |
| Phase Balance: | ≤±7 deg |
| VSWR: | ≤ 1.6: 1 |
| Isolation: | ≥ 17dB |
| Impedance: | 50 OHMS |
| Port Connectors: | SMA-Female |
| Operating Temperature Range: | -40˚C-- +85 ˚C |
| Power Rating as Divider:: | 50 Watt |
| Surface Color: | conductive oxide |
Remarks:
1、Not Include Theoretical loss 3db 2.Power rating is for load vswr better than 1.20:1
| Leader-mw | Environmental Specifications |
| Operational Temperature | -30ºC~+60ºC |
| Storage Temperature | -50ºC~+85ºC |
| Vibration | 25gRMS (15 degrees 2KHz) endurance, 1 hour per axis |
| Humidity | 100% RH at 35ºc, 95%RH at 40ºc |
| Shock | 20G for 11msec half sine wave,3 axis both directions |
| Leader-mw | Mechanical Specifications |
| Housing | Aluminum |
| Connector | ternary alloy three-partalloy |
| Female Contact: | gold plated beryllium bronze |
| Rohs | compliant |
| Weight | 0.15kg |
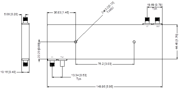
Outline Drawing:
All Dimensions in mm
Outline Tolerances ± 0.5(0.02)
Mounting Holes Tolerances ±0.2(0.008)
All Connectors: SMA-Female
| Leader-mw | Test Data |